|
|
|
|
|
|
|
 |
|
|
|
|
|
|
|
|
|
|
|
|
|
|
|
|
單相 |
110V/220V |
三相 |
220V/380V |
|
|
|
|
|
|
|
|
|
|
|
|
|
|
|
|
|
|
|
|
|
|
|
|
 |
|
|
|
|
|
|
|
|
|
|
|
|
|
|
|
|
|
|
|
|
|
|
|
|
|
|
|
|
|
|
|
|
|
|
|
|
|
|
機種
|
功率(W)
|
電壓(V)
|
頻率(Hz)
|
電流(A)
|
起動轉矩(Kg.cm)
|
額定轉矩(Kg.cm)
|
額定轉速(rpm)
|
|
電容(μF)
|
4IK25A-A
|
25
|
1φ110
|
50
|
0.52
|
1.5
|
2.05
|
1300
|
連續
|
6.0
|
4IK25GN-A
|
4IK25A-C
|
25
|
1φ220
|
50
|
0.25
|
1.5
|
2.05
|
1300
|
連續
|
1.5
|
4IK25GN-C
|
4IK25A-S
|
25
|
3φ220
|
50
|
0.20
|
4.0
|
1.80
|
1300
|
連續
|
-
|
4IK25GN-S
|
4IK25A-U
|
25
|
3φ380
|
50
|
0.12
|
4.0
|
1.80
|
1300
|
連續
|
-
|
4IK25GN-U
|
|
|
|
|
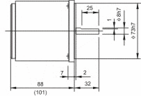
馬達
|
4IK25A-A(C,S,U) |
|
4IK25GN-A(C,S,U) |
|
4IK25RA-A(C,S,U) |
|
4IK25RGN-A(C,S,U) |
|
|
|
|
|
  |
|
|
|
|
|
(
)內爲4IK25RA-A(C)和4IK25RGN-A(C)調速型尺寸
注:齒軸尺寸:齒軸軸徑φ7.9,模數0.6,螺旋角30°,壓力角20°,軸伸13.5 |
|
|
|
|
|
|
|
|
|
|
|
|
|
|
|
|
|
|
|
|
|
|
|
|
|
|
|
|
|
|
|
| |
|
|
|
|
|
|
| |
|
|
|
|
|
|
| |
|
|
|
|
|
|
| |
|
|
|
|
|
|
| |
|
|
|
|
|
|
| |
|
|
|
|
|
|
| |
|
|
|
|
|
|
| |
|
|
 |
TOP |
|
|
|
|
|
|
|
|
|
|
|
|
|
|
|
|
|
| |
|
|
|
|
|
|
|